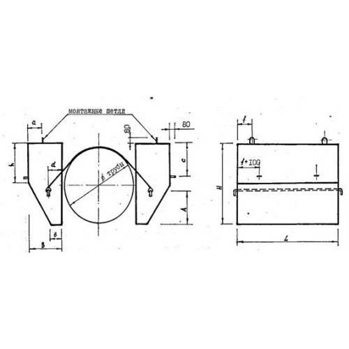
УБО 1020 Утяжелители

Чертеж изделия:
Характеристики изделия:
ПараметрЗначение
длина1500 мм
ширина550 мм
высота1100 мм
масса1825 кг
нормативный документТУ 102-300-81

УБО 1020  Утяжелители бетонные охватывающие по ТУ 102-300-81.