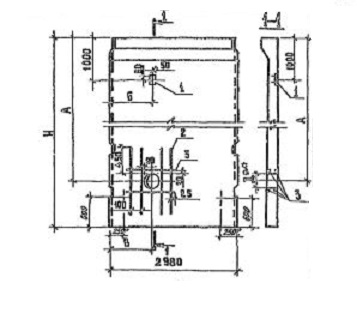
ПС 300-360-18

Чертеж изделия:
Характеристики изделия:
ПараметрЗначение
длина2980 мм
ширина180 мм
высота3600 мм
масса4280 кг
нормативный документТП 901-4-63.83

ПС 300-360-18 Панели стеновые  по Типовому проекту ТП 901-4-63.83.