СБН 15.25.3.0

Чертеж изделия:
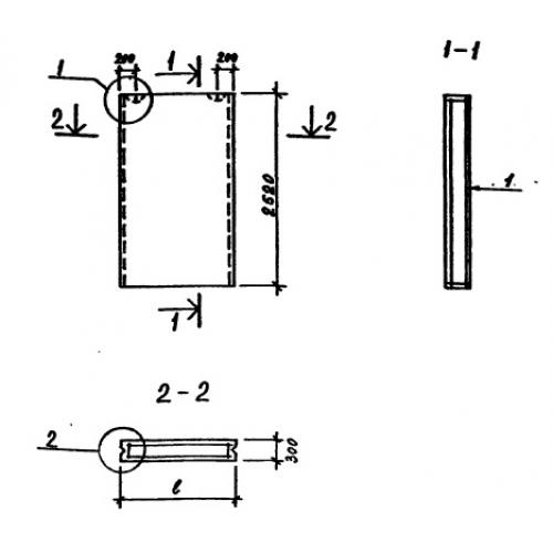
Характеристики изделия:
ПараметрЗначение
длина1480 мм
ширина300 мм
высота2520 мм
вес900 кг
серияТП 213-2-183

СБН 15.25.3.0 Стеновые блоки наружные по проекту ТП 213-2-183.