ПСТ 60.21.35

Чертеж изделия:
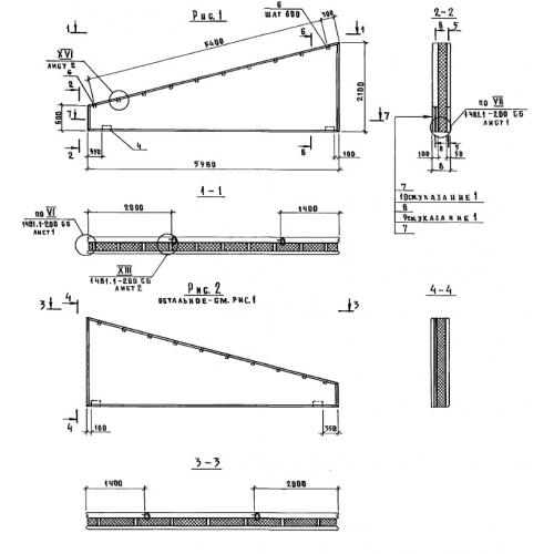
Характеристики изделия:
ПараметрЗначение
длина5980 мм
ширина350 мм
высота2100 мм
вес2800 кг
Шифр1481

ПСТ 60.21.35  Панели стеновые трехслойные по Шифру 1481.