ЛП 15-14

Чертеж изделия:
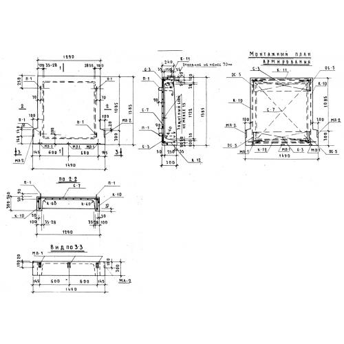
Характеристики изделия:
ПараметрЗначение
длина1385 мм
ширина1490 мм
высота300 мм
масса590 кг
нормативный документСерия ИИС 04-7

ЛП 15-14 Лестничные площадки по Серии ИИС 04-7.