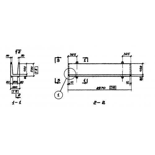
ЛП 2-30

Чертеж изделия:
Характеристики изделия:
ПараметрЗначение
длина2970 мм
ширина360 мм
высота530 мм
вес670 кг
серия3.900-2

ЛП 2-30 Элементы прямоугольных лотков  по серии 3.900-2.