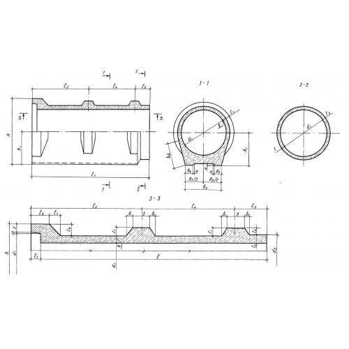
ТПР 140.25

Чертеж изделия:
Характеристики изделия:
ПараметрЗначение
длина2610 мм
ширина1620 мм
высота1923 мм
масса5800 кг
нормативный документСерия 3.820.1-81.94

ТПР 140.25  Труба бетонная безнапорная ребристая раструбная с подошвой, имеющая стыковое соединение втулочного конца. Уплотнение стыковой поверхности таких элементов производится герметиками. Серия 3.820.1-81.94.