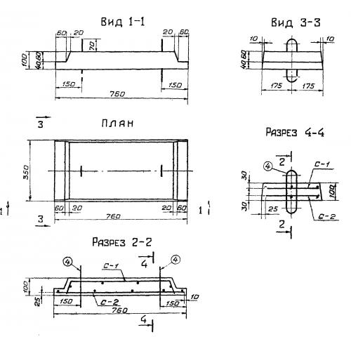
УБ 6
Характеристики изделия:
| Параметр | Значение |
|---|---|
| длина | 760 мм |
| ширина | 350 мм |
| высота | 100 мм |
| масса | 60 кг |
| нормативный документ | Серия 3.820.1-69 |
Цена:
Рассчитать стоимостьУБ 6 Блок распорный по Серии 3.820.1-69.
| Параметр | Значение |
|---|---|
| длина | 760 мм |
| ширина | 350 мм |
| высота | 100 мм |
| масса | 60 кг |
| нормативный документ | Серия 3.820.1-69 |
УБ 6 Блок распорный по Серии 3.820.1-69.
