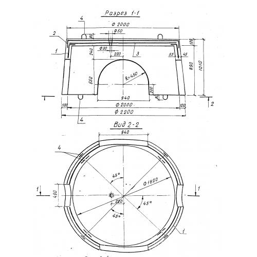
КСД 20-2
Характеристики изделия:
| Параметр | Значение |
|---|---|
| длина | 2200 мм |
| ширина | 2200 мм |
| высота | 1010 мм |
| вес | 2000 кг |
| серия | 3.820-9 |
Цена:
Рассчитать стоимостьКСД 20-2 Кольца колодцев стеновые с днищем по серии 3.820-9.
| Параметр | Значение |
|---|---|
| длина | 2200 мм |
| ширина | 2200 мм |
| высота | 1010 мм |
| вес | 2000 кг |
| серия | 3.820-9 |
КСД 20-2 Кольца колодцев стеновые с днищем по серии 3.820-9.
