ТП-20

Чертеж изделия:
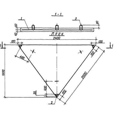
Характеристики изделия:
ПараметрЗначение
длина2400 мм
ширина2000 мм
высота80 мм
масса375 кг
нормативный документСерия 3.820-6

ТП-20 Плиты плоские треугольные по Серии 3.820-6.