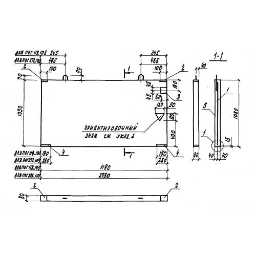
ПОГ 119.105

Чертеж изделия:
Характеристики изделия:
ПараметрЗначение
длина1190 мм
ширина80 мм
высота1050 мм
вес250 кг
серия3.818.9-2

ПОГ 119.105 Панели ограждения станков, выгульных площадок и резделительных секций по серии 3.818.9-2.