БП 180

Чертеж изделия:
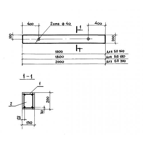
Характеристики изделия:
ПараметрЗначение
длина1800 мм
ширина150 мм
высота200 мм
вес135 кг
серия3.818.9-2

БП 180 Балки перекрытия каналов по серии 3.818.9-2.