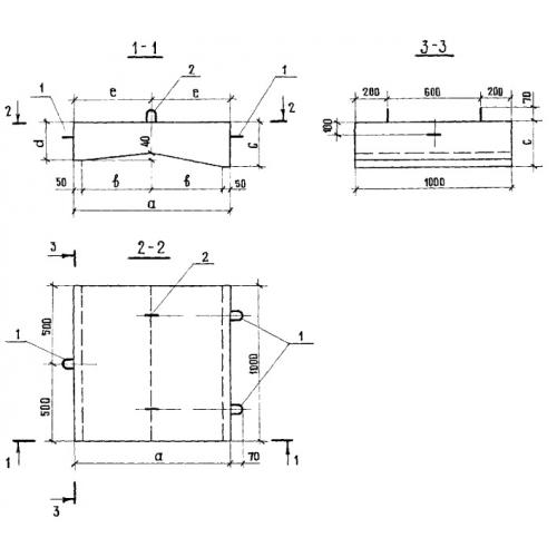
Б 1-24-100 блок
Характеристики изделия:
| Параметр | Значение |
|---|---|
| длина | 1000 мм |
| ширина | 1000 мм |
| высота | 290 мм |
| вес | 570 кг |
| серия | 3.503.1-66 |
Цена:
Рассчитать стоимостьБ 1-24-100 Прикромочные блоки бетонные по серии 3.503.1-66.
| Параметр | Значение |
|---|---|
| длина | 1000 мм |
| ширина | 1000 мм |
| высота | 290 мм |
| вес | 570 кг |
| серия | 3.503.1-66 |
Б 1-24-100 Прикромочные блоки бетонные по серии 3.503.1-66.
