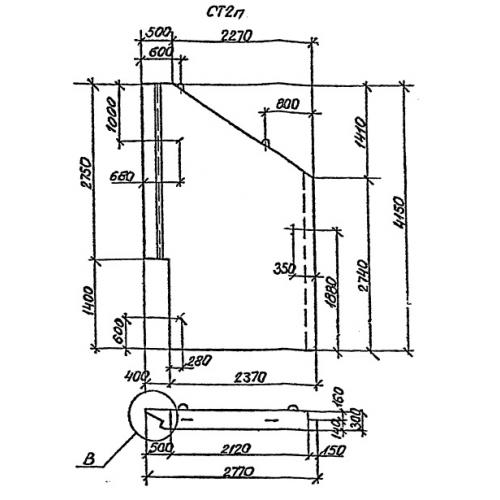
СТ 2 стенка откосная
Характеристики изделия:
| Параметр | Значение |
|---|---|
| длина | 4150 мм |
| ширина | 2770 мм |
| высота | 300 мм |
| масса | 6500 кг |
| нормативный документ | Серия 3.501.1-177.93 |
Цена:
Рассчитать стоимостьСТ 2 Откосные стенки (крылья) по Серии 3.501.1-177.93.
| Параметр | Значение |
|---|---|
| длина | 4150 мм |
| ширина | 2770 мм |
| высота | 300 мм |
| масса | 6500 кг |
| нормативный документ | Серия 3.501.1-177.93 |
СТ 2 Откосные стенки (крылья) по Серии 3.501.1-177.93.
