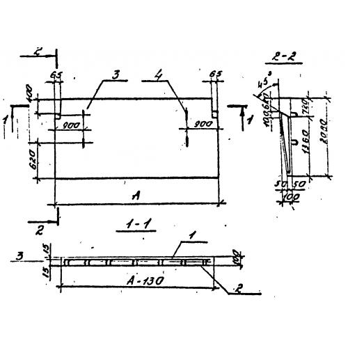
ПЭ 5.60.21

Чертеж изделия:
Характеристики изделия:
ПараметрЗначение
длина5980 мм
ширина100 мм
высота2080 мм
вес2280 кг
серия3.019.1-2

ПЭ 5.60.21 Панели экрана по серии 3.019.1-2.