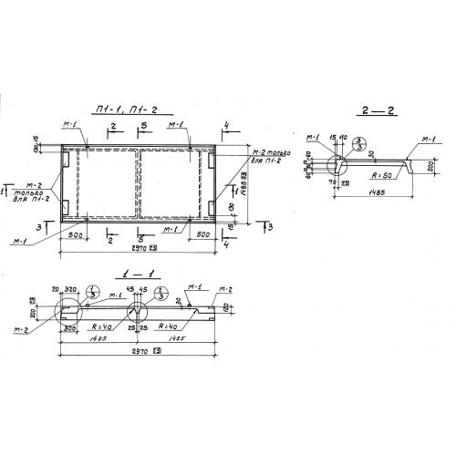
П 1
Характеристики изделия:
| Параметр | Значение |
|---|---|
| длина | 2970 мм |
| ширина | 1485 мм |
| высота | 200 мм |
| вес | 760 кг |
| серия | 3.016-3 |
Цена:
Рассчитать стоимостьП 1 Плиты перекрытия по серии 3.016-3.
| Параметр | Значение |
|---|---|
| длина | 2970 мм |
| ширина | 1485 мм |
| высота | 200 мм |
| вес | 760 кг |
| серия | 3.016-3 |
П 1 Плиты перекрытия по серии 3.016-3.
