П 18/2 плиты лотков

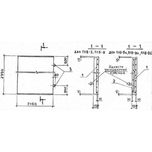
Чертеж изделия:
Характеристики изделия:
ПараметрЗначение
длина1495 мм
ширина2160 мм
высота150 мм
масса1210 кг
нормативный документСерия 3.006.1-2/87

П 18/2 Плиты перекрытия лотков Серия 3.006.1-2/87.