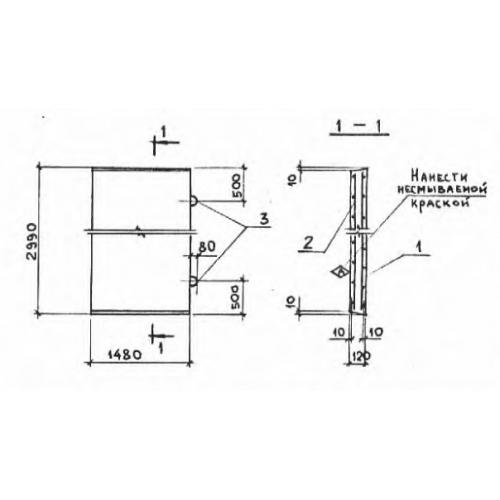
П 13 плиты лотков

Чертеж изделия:
Характеристики изделия:
ПараметрЗначение
длина2990 мм
ширина1480 мм
высота120 мм
масса1330 кг
нормативный документСерия 3.006.1-2/87

П 13 Плиты перекрытия лотков Серия 3.006.1-2/87.