П 9

Чертеж изделия:
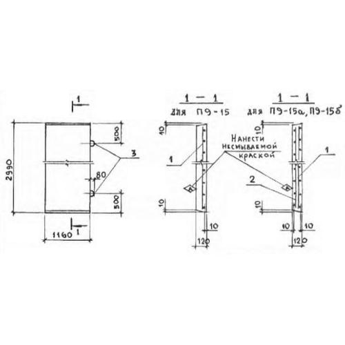
Характеристики изделия:
ПараметрЗначение
длина2990 мм
ширина1160 мм
высота120 мм
масса1040 кг
нормативный документСерия 3.006.1-2/82

П 9  Плиты перекрытия лотков Серия 3.006.1-2/82.