П 19
Характеристики изделия:
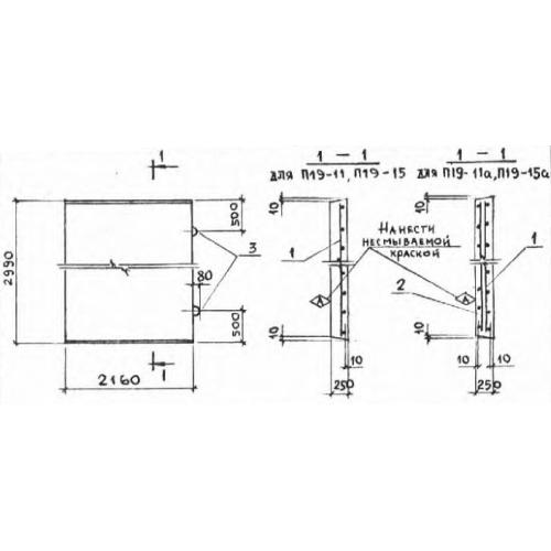
| Параметр | Значение |
|---|---|
| длина | 2990 мм |
| ширина | 2160 мм |
| высота | 250 мм |
| масса | 4040 кг |
| нормативный документ | Серия 3.006.1-2/82 |
Цена:
Рассчитать стоимостьП 19 Плиты перекрытия лотков Серия 3.006.1-2/82.
| Параметр | Значение |
|---|---|
| длина | 2990 мм |
| ширина | 2160 мм |
| высота | 250 мм |
| масса | 4040 кг |
| нормативный документ | Серия 3.006.1-2/82 |
П 19 Плиты перекрытия лотков Серия 3.006.1-2/82.
