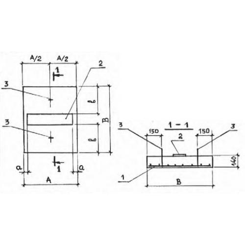
ОП 7
Характеристики изделия:
| Параметр | Значение |
|---|---|
| длина | 750 мм |
| ширина | 850 мм |
| высота | 140 мм |
| масса | 230 кг |
| нормативный документ | Серия 3.006.1-2/82 |
Цена:
Рассчитать стоимостьОП 7 Опорные подушки Серия 3.006.1-2/82.
| Параметр | Значение |
|---|---|
| длина | 750 мм |
| ширина | 850 мм |
| высота | 140 мм |
| масса | 230 кг |
| нормативный документ | Серия 3.006.1-2/82 |
ОП 7 Опорные подушки Серия 3.006.1-2/82.
