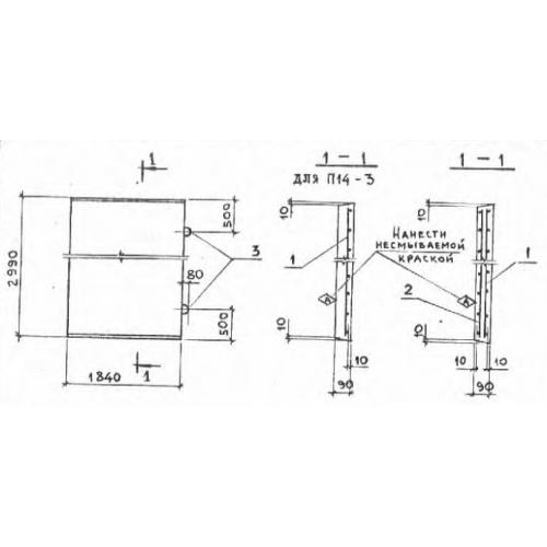
П 14

Чертеж изделия:
Характеристики изделия:
ПараметрЗначение
длина2990 мм
ширина1840 мм
высота90 мм
вес1240 кг
серия3.006-2

П 14 Плиты перекрытия лотков по серии 3.006-2.