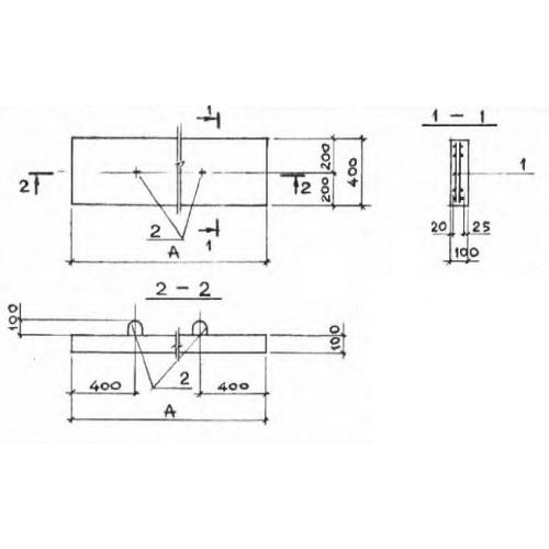
ПП 5

Чертеж изделия:
Характеристики изделия:
ПараметрЗначение
длина1700 мм
ширина400 мм
высота100 мм
вес180 кг
серия3.006-2

ПП 5 Плиты перекрытия лотков по серии 3.006-2.