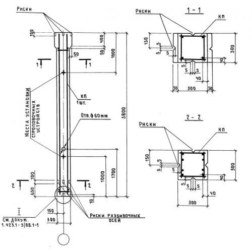
2К 30 колонны

Чертеж изделия:
Характеристики изделия:
ПараметрЗначение
длина3800 мм
ширина300 мм
высота300 мм
масса930 кг
нормативный документСерия 1.423.1-3/88

2К 30 Колонны Серия 1.423.1-3/88.