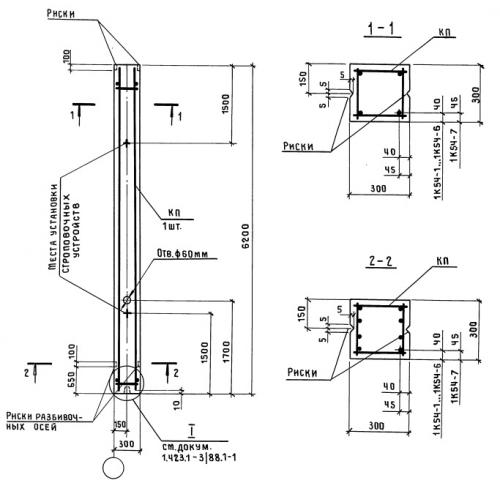
1К 54 колонны

Чертеж изделия:
Характеристики изделия:
ПараметрЗначение
длина6200 мм
ширина300 мм
высота300 мм
масса1400 кг
нормативный документСерия 1.423.1-3/88

1К 54 Колонны Серия 1.423.1-3/88.