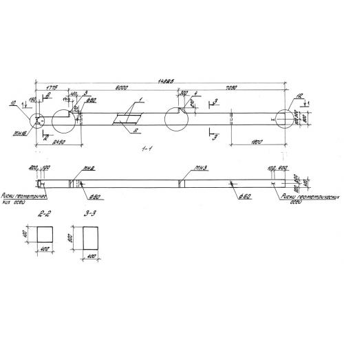
К 33 колонны

Чертеж изделия:
Характеристики изделия:
ПараметрЗначение
длина14825 мм
ширина600 мм
высота400 мм
масса8600 кг
нормативный документСерия 1.420-35.95

К 33 Колонны Серия 1.420-35.95.