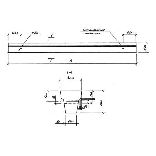
2БФ 6 балки

Чертеж изделия:
Характеристики изделия:
ПараметрЗначение
длина5050 мм
ширина300 мм
высота300 мм
масса900 кг
нормативный документСерия 1.415.1-2

2БФ 6  Балки фундаментные Серия 1.415.1-2.