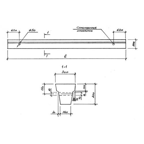
ФБ 51-30 балки фундаментные

Чертеж изделия:
Характеристики изделия:
ПараметрЗначение
длина5050 мм
ширина300 мм
высота300 мм
масса850 кг
нормативный документСерия 1.415-1

ФБ 51-30  Балки фундаментные Серия 1.415-1.