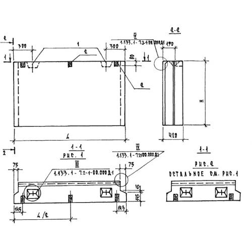
2БН 12.8.50

Чертеж изделия:
Характеристики изделия:
ПараметрЗначение
длина1190 мм
ширина420 мм
высота760 мм
вес400 кг
серия1.133.1-7

2БН 12.8.50 Блоки подоконные по серии 1.133.1-7.