НР2-35.29.4-2л
Характеристики изделия:
| Параметр | Значение |
|---|---|
| Длина | 3495 мм |
| Ширина | 400 мм |
| Высота | 2900 мм |
| Масса | 4060 кг |
| Нормативный документ | Серия 1.132-1 |
Цена:
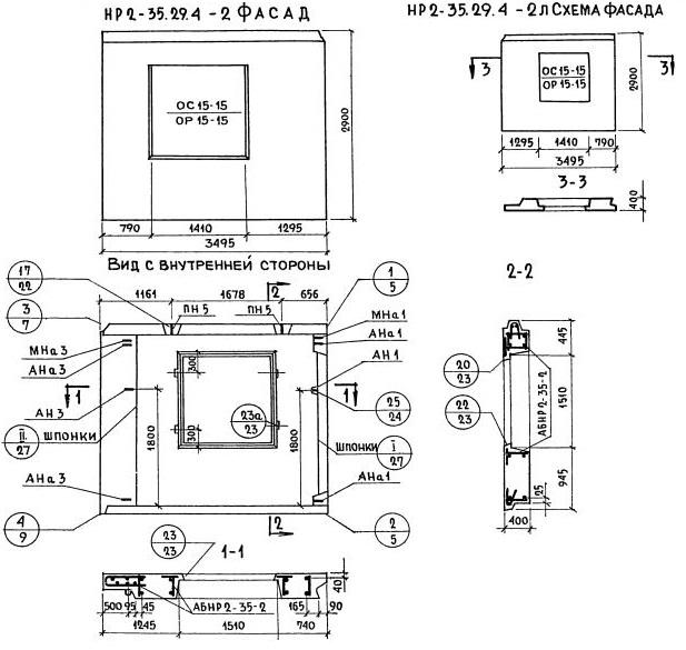
Рассчитать стоимостьНР2-35.29.4-2л Наружная стеновая панель рядовая по Серии 1.132-1.
| Параметр | Значение |
|---|---|
| Длина | 3495 мм |
| Ширина | 400 мм |
| Высота | 2900 мм |
| Масса | 4060 кг |
| Нормативный документ | Серия 1.132-1 |
НР2-35.29.4-2л Наружная стеновая панель рядовая по Серии 1.132-1.