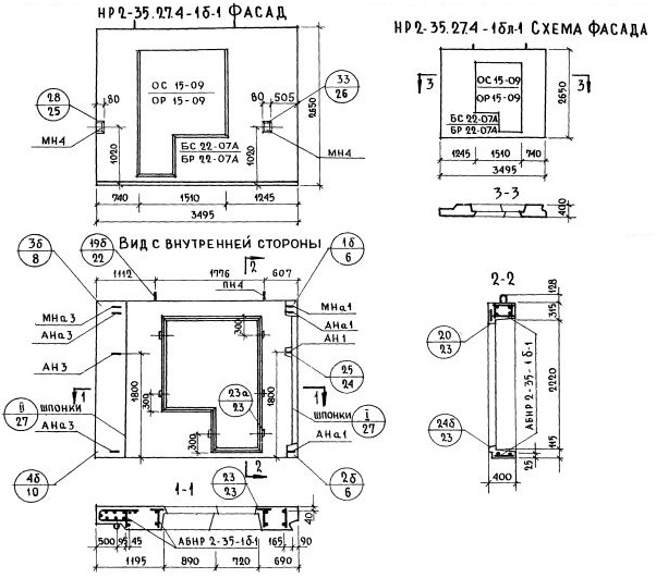
НР2-35.27.4-1б-1

Чертеж изделия:
Характеристики изделия:
ПараметрЗначение
Длина3495 мм
Ширина400 мм
Высота2650 мм
Масса3390 кг
Нормативный документСерия 1.132-1

НР2-35.27.4-1б-1   Наружная стеновая панель рядовая по Серии 1.132-1.