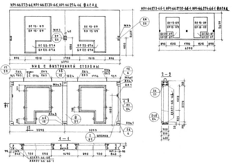
НР1-66.27.3-6б

Чертеж изделия:
Характеристики изделия:
ПараметрЗначение
Длина6590 мм
Ширина300 мм
Высота2650 мм
Масса5270 кг
Нормативный документСерия 1.132-1

НР1-66.27.3-6б   Наружная стеновая панель рядовая по Серии 1.132-1.