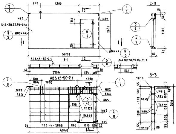
В1.5-50.27.16-2.1л
Характеристики изделия:
| Параметр | Значение |
|---|---|
| длина | 5020 мм |
| ширина | 160 мм |
| высота | 2650 мм |
| масса | 4690 кг |
| нормативный документ | Серия 1.131-1 |
Цена:
Рассчитать стоимостьВ1.5-50.27.16-2.1л Внутренние стеновые панели (Серия 1.131-1).
| Параметр | Значение |
|---|---|
| длина | 5020 мм |
| ширина | 160 мм |
| высота | 2650 мм |
| масса | 4690 кг |
| нормативный документ | Серия 1.131-1 |
В1.5-50.27.16-2.1л Внутренние стеновые панели (Серия 1.131-1).
