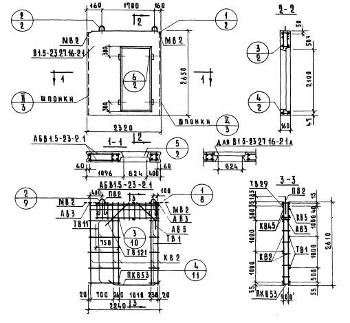
В1.5-23.27.16-2.1л

Чертеж изделия:
Характеристики изделия:
ПараметрЗначение
длина2320 мм
ширина160 мм
высота2650 мм
масса1770 кг
нормативный документСерия 1.131-1

В1.5-23.27.16-2.1л    Внутренние стеновые панели   (Серия 1.131-1).