3НЦ 27.22.25

Чертеж изделия:
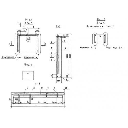
Характеристики изделия:
ПараметрЗначение
длина2690 мм
ширина250 мм
высота2230 мм
вес2680 кг
серия1.117.1-14

3НЦ 27.22.25 Стеновые цокольные панели по серии   1.117.1-14.