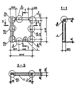
2ПСЦ 20.21.3,5-П-С

Чертеж изделия:
Характеристики изделия:
ПараметрЗначение
длина2045 мм
ширина350 мм
высота2100 мм
масса1560 кг
нормативный документСерия 1.090.1-2с

Панели наружных стен нулевого цикла однослойные (Серия 1.090.1-2с).

2ПСЦ 20.21.3,5-П-С Панели цокольные .

2-отличие в типах и расположении вертикальных торцов панели (зеркальность), наличие проема, наличие дополнительных анккеров.

П- бетон на пористых заполнителях,

С- для строительства в сейсмических районах.