ЛП 17-2

Чертеж изделия:
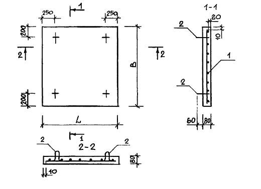
Характеристики изделия:
ПараметрЗначение
длина1790 мм
ширина1690 мм
высота80 мм
масса610 кг
нормативный документСерия 1.050.9-4.93

ЛП 17-2  Площадочные плиты Серия 1.050.9-4.93.