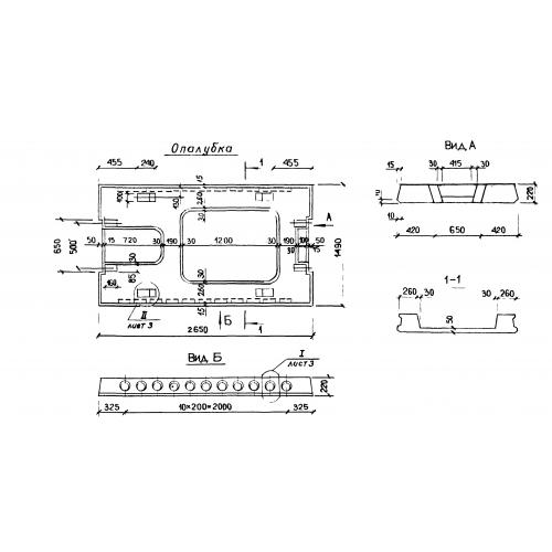
ПРС 26.15 плиты сантехнические

Чертеж изделия:
Характеристики изделия:
ПараметрЗначение
длина2650 мм
ширина1490 мм
высота220 мм
масса1475 кг
нормативный документСерия 1.041.1-3

 ПРС 26.15  Плиты ребристые сантехнические Серия 1.041.1-3.