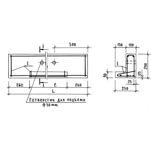
7ПФ 40 перемычки фасадные

Чертеж изделия:
Характеристики изделия:
ПараметрЗначение
длина4020 мм
ширина250 мм
высота290 мм
масса453 кг
нормативный документСерия 1.038.1-1

7ПФ 40  Перемычки фасадные Серия 1.038.1-1.