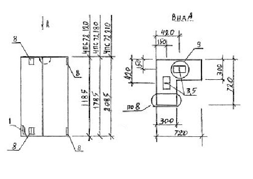
ПС 72.180.30 панели стеновые

Чертеж изделия:
Характеристики изделия:
ПараметрЗначение
длина720 мм
ширина300 мм
высота1785 мм
масса850 кг
нормативный документСерия 1.030.1-1/88

ПС 72.180.30  Панели стеновые Серия 1.030.1-1/88.