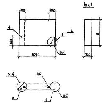
ПС 57.21.3.0 панели стеновые
Характеристики изделия:
| Параметр | Значение |
|---|---|
| длина | 5700 мм |
| ширина | 300 мм |
| высота | 2085 мм |
| масса | 5000 кг |
| нормативный документ | Серия 1.030.1-1/88 |
Цена:
Рассчитать стоимостьПС 57.21.3.0 Панели стеновые для стен многоэтажных зданий в районах сейсмичностью 7, 8 и 9 баллов Серия 1.030.1-1/88.