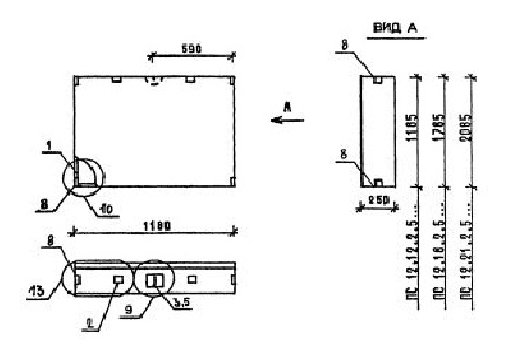
ПС 12.12.2.5 панели стеновые

Чертеж изделия:
Характеристики изделия:
ПараметрЗначение
длина1180 мм
ширина250 мм
высота1185 мм
масса480 кг
нормативный документСерия 1.030.1-1/88

ПС 12.12.2.5  Панели стеновые Серия 1.030.1-1/88.