ПСЦ 30.36.25

Чертеж изделия:
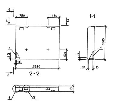
Характеристики изделия:
ПараметрЗначение
длина2980 мм
ширина3585 мм
высота250 мм
масса3580 кг
нормативный документСерия 1.020.1-3пв

ПСЦ 30.36.25  Панели стеновые цокольные Серия 1.020.1-3пв.