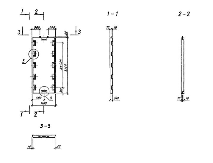
Д 12.32

Чертеж изделия:
Характеристики изделия:
ПараметрЗначение
длина1180 мм
ширина140 мм
высота3150 мм
масса1300 кг
нормативный документСерия 1.020.1-3пв

Д 12.32  Диафрагмы жесткости  Серия 1.020.1-3пв.