4КО 3.33(42)
Характеристики изделия:
| Параметр | Значение |
|---|---|
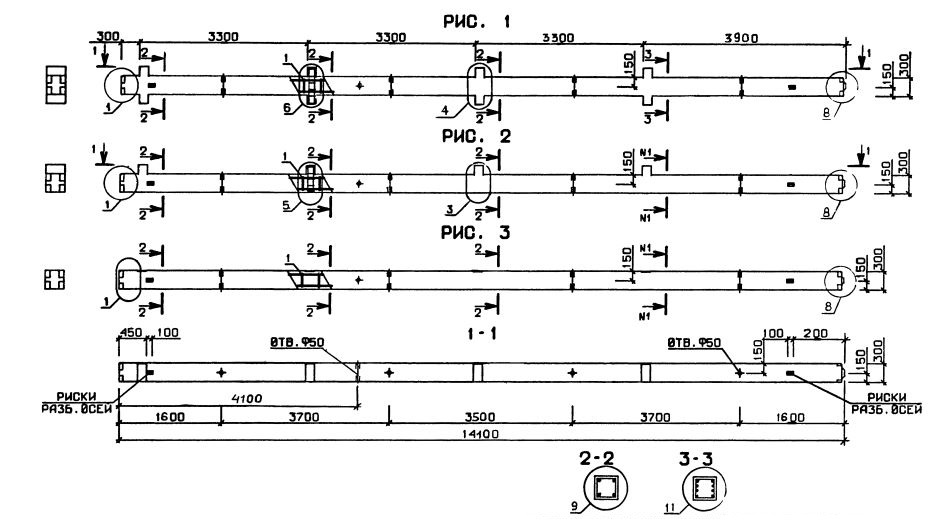
| длина | 14100 мм |
| ширина | 300 мм |
| высота | 450 мм |
| масса | 3410 кг |
| нормативный документ | Серия 1.020.1-3пв |
Цена:
Рассчитать стоимость4КО 3.33(42) Колонны одноконсольные Серия 1.020.1-3пв.
| Параметр | Значение |
|---|---|
| длина | 14100 мм |
| ширина | 300 мм |
| высота | 450 мм |
| масса | 3410 кг |
| нормативный документ | Серия 1.020.1-3пв |
4КО 3.33(42) Колонны одноконсольные Серия 1.020.1-3пв.