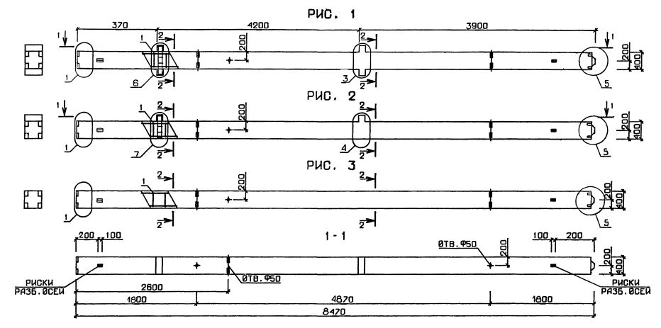
2КБД 4.42

Чертеж изделия:
Характеристики изделия:
ПараметрЗначение
длина8470 мм
ширина400 мм
высота700 мм
масса3600 кг
нормативный документСерия 1.020.1-3пв

2КБД 4.42  Колонны бесстыковые двухконсольные Серия 1.020.1-3пв.