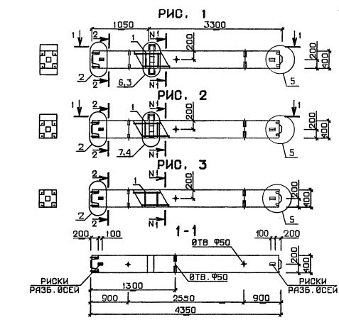
1КНО 4.36

Чертеж изделия:
Характеристики изделия:
ПараметрЗначение
длина4350 мм
ширина400 мм
высота550 мм
масса2180 кг
нормативный документСерия 1.020.1-3пв

1КНО 4.36  Колонны нижние одноконсольные Серия 1.020.1-3пв.