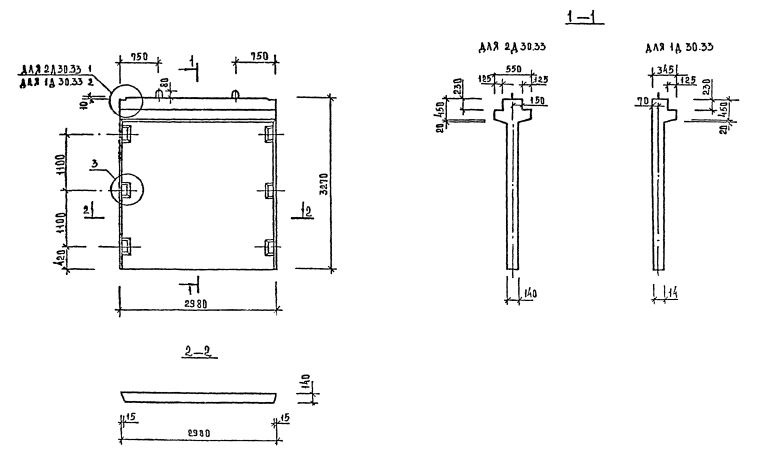
1Д 30.33 диафрагмы жесткости

Чертеж изделия:
Характеристики изделия:
ПараметрЗначение
длина2980 мм
ширина345 мм
высота3270 мм
масса3900 кг
нормативный документСерия 1.020-1/87

1Д 30.33   Диафрагмы жесткости с одной полкой Серия 1.020-1/87.