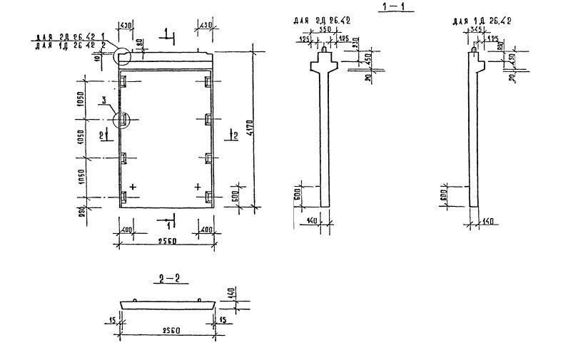
1Д 26.42 диафрагмы жесткости
Характеристики изделия:
| Параметр | Значение |
|---|---|
| длина | 2560 мм |
| ширина | 345 мм |
| высота | 4170 мм |
| масса | 4180 кг |
| нормативный документ | Серия 1.020-1/87 |
Цена:
Рассчитать стоимость1Д 26.42 Диафрагмы жесткости с одной полкой Серия 1.020-1/87.
