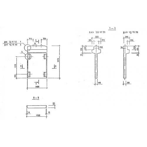
1Д 12.20 диафрагмы жесткости

Чертеж изделия:
Характеристики изделия:
ПараметрЗначение
длина1180 мм
ширина345 мм
высота1970 мм
масса1000 кг
нормативный документСерия 1.020-1/87

1Д 12.20   Диафрагмы жесткости с одной полкой Серия 1.020-1/87.